前言
地面振动反应谱是结构在地震动加速度时程作用下的动力性能,对于结构的抗震设计具有重要意义。 目前,国内外地面振动反应谱的数值估算方法有多种,包括纽马克法、精密渐进积分法、等加速度法和线性加速度法等。近年来,为了全面研究地面振动响应谱的特性,结构洪水响应方面,进一步完善了迭代运算功能,以获得符合目标谱的设计地基振动时程。 然而,目前对于曲线拟合目标函数的选取研究还很少。
曲线拟合真实最大结构响应的概率分布
曲线拟合为了找到更接近自然地面振动响应的统计参数,即均值和标准差,我们首先研究了一系列地面振动记录输入下最大结构响应的真实概率分布。
估计了三个系列地面振动记录输入下最大结构响应的真实概率分布。 地面振动记录选自USGS)地面振动数据库。
估计中使用的单自由度系统模型的质量为1; 减振比ψ取值范围为0~0.5,间隔为0.05;
单自由度系统的自振周期T范围为0.01s~4s,间隔为0.01s。 每个地面振动记录按比例调整,使其最大地面加速度为0.4g,重力加速度常数为9.8m/s2。
对于每种减振比和特征周期的组合,通过MATLAB求解每次地面振动记录下结构的余震响应,包括位移、速度和加速度响应。
然后获得与一系列地面振动记录相对应的最大结构响应的平均值和标准偏差。
根据估计结果绘制平均谱和“平均值加一标准差”谱。 本文主要考察加速度反应谱。 同时,振动记录估计得到的一些结果如图1和图2所示:

从图中可以看出,当振动阻尼比减小时,加速度响应减小,标准差随周期的变化并不显着。
在估计出结构的自振响应后,直接统计即可得到减振比和特征周期各组合对应的最大结构响应的概率质量函数(PMF)。 通过对概率质量函数进行积分,可以获得累积分布函数(CDF)。
通过观察,最大结构响应的累积分布函数与正态分布的累积分布函数接近,因此以正态分布的累积分布函数为目标函数,对原始累积分布函数进行曲线拟合。
之所以用累积分布函数而不是概率质量函数进行曲线拟合,是因为典型的概率质量函数通常是一组离散点,对其进行曲线拟合的结果会有巨大的波动,不会收敛。
相反,累积分布函数的曲线拟合非常稳定。 曲线拟合实际上就是对直接统计得到的离散函数,即概率质量函数进行积分,然后根据其统计参数进行曲线拟合。
与未对直接统计参数进行处理而得到的结果相比,具有更好的稳定性和连续性,保持了整个统计过程的有效性,能够更好地反映地面振动反应谱的统计特征。 曲线拟合的原理基于传统的目标函数最小化技术。
首先设定正态分布的累积分布函数作为目标函数,然后采用最小二乘加法对原始累积分布函数进行拟合,并给出年率。
曲线拟合可以得到一条更接近正态分布的累积分布函数的新曲线,这也是累积分布函数。 因此,可以得到相应的新均值和标准差,并对新的累积分布函数进行微分,得到新的概率密度函数(PDF),它是更接近自然振动的正态分布的概率密度函数响应分布。 。
因此,新的均值和标准差也比直接估计得到的均值和标准差更能反映自振响应的分布情况。
结果与比较
图3和图4显示了根据地面振动记录和曲线拟合估计的累积分布函数和概率密度函数。


我们估计了大量的例子,但图中只包含了一小部分估计结果来说明曲线拟合方法。
上图中,下标“0”表示直接估计的结果,下标“c”表示曲线拟合的结果。
从图中可以看出,直接估计得到的均值和标准差与曲线拟合得到的结果并不相同,甚至差异相当显着。
这说明目前使用的反应谱概率分布模型的统计参数可能与实际概率分布方法的统计参数存在较大偏差,从而可能影响现行设计规范中设计谱生成方法的准确性。 为了获得更准确的结果,需要直接分析真实的概率分布。
置信区间可能是曲线拟合本身中的一个点。 为了更好地证明曲线拟合的可靠性,本文还对最大加速度响应做了置信区间。
置信区间由 MATLAB 估计。 对于整个曲线拟合结果,如果均值落在置信区间之外,则计数 1。
落在置信区间之外的累积平均数与总数的比率用作置信概率。 图 5 和图 6 显示了曲线拟合结果与置信区间的关系:


所有数据估计均基于地面振动记录。 从图中可以看出,曲线拟合的均值基本完全落在置信区间内,说明曲线拟合是可靠的;
另一方面,对于地面振动记录,不可信概率为0.97%,不可信记录概率为0.52%,不可信记录概率为0.02%,进一步证明了曲线拟合的稳定性和可靠性。 并分析曲线拟合结果之间的不一致。
趋势分析
从数值模拟结果的研究可以看出,当周期减小时,累积分布函数和概率密度函数的直接估计结果与曲线拟合结果的不一致程度减小。
为了比较曲线拟合和统计参数直接估计之间的关系,我们借助以下估计公式来估计不一致的比例:
该比值随周期的变化曲线如图7和图8所示:


随减振比变化的变化曲线见图9、图10:


结果都是根据地面振动记录估算的。 通过对数值估算数据的综合观察,可以得出以下推论:
周期越大,均值和标准差的不一致程度越高; 阻尼比越大,平均值和标准差的不一致程度越低。 对于周期域的不一致性,当到达长周期区域时,不一致性迅速减小,其比例达到30%~50%。
标准差不一致性分析在研究标准差不一致性时,发现标准差不一致性比率的值始终小于0。
换句话说,直接估计得到的标准差总是小于曲线拟合得到的标准差。
图8已经给出了地面振动记录的估计结果。 下面图11和图12也分别给出了地面振动记录的估计结果:


图12中密度分析 软件 图,数值大于0的不一致比率非常少,而且范围非常有限,不一致比率的最大值不超过10%。 影响很小,可以忽略不计。
曲线拟合的标准差大于直接估计得到的标准差的现象可以理解为曲线拟合的离差比直接估计的小,即曲线拟合更合理,可以提供更稳定的数据。
“均值加一标准差”谱不一致的剖析 在剖析均值的不一致时,可以得出同样的推论,即曲线拟合的均值通常大于直接估计得到的均值。
通过观察图7,发现均值不一致比值仅在短周期区域(T=0.5s左右)大于0,且比值最大值很小,较大低于5%,可以忽略不计。
总结均值与标准差不一致性的变化规律可知,对于“均值加一标准差”谱,不一致性具有相同的规律,即曲线拟合得到的值大于该值通过直接估计得到。 “平均值加一标准差”谱的不一致性比率 Sp 由以下公式估计:
图13和图14是“均值加一标准差”谱不一致比率的结果:


在短周期区域,不一致的比例相对较小,而在长周期区域,不一致的比例特别大,约为40%至70%。
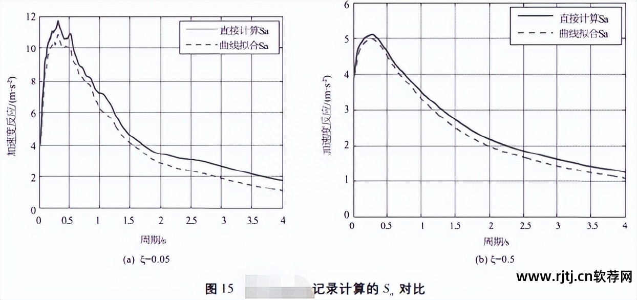
由于“平均值加一标准差”谱的不一致率在长周期区域特别高,因此有必要将直接估计得到的响应谱与曲线拟合得到的响应谱进行比较。

对比图 15 中地面振动记录估算的“均值加一标准差”加速度反应谱在直接估算和曲线拟合条件下的减振率分别为 xi=0.05 和 xi=0.5。
从图中可以看出,曲线拟合的加速度响应谱总是大于直接估计的结果。 为了与当前的工程实践经验相一致,提出了借助曲线拟合得到的统计参数来估计加速度谱的公式。
核心残差 (COV) 剖析 核心残差定义为标准差与平均值的比率:
当前设计规范中使用共残差来表示材料硬度的不确定性、几何规格的不确定性以及分析方法的不确定性。 根据现有工程实践,岩心残差的变化范围大致为8%~17%。
生成一定减振比下的核心残差谱,然后将直接估计的结果与曲线拟合的结果进行比较。
图17是三者的共残差谱对比:

从图中可以看出,实际估计的磁芯残差并不像规范中给出的那样稳定,特别是当阻尼比较小或周期较大时。
并且经过比较发现,曲线拟合的共同残差始终大于直接估计情况下的共同残差,这说明曲线拟合得到的结构最大响应的统计数据为更稳定且离差更小,因此曲线拟合的数值和统计特征相结合更可靠。
数值模拟结果讨论通过比较直接估算法和曲线拟合法得到的结果,发现两者存在很大的不一致。
造成不一致的主要原因是曲线拟合的方式是处理稳定的累积分布函数,从而避免了原始地面振动记录中离散性的影响。
这在一定程度上证明了曲线拟合情况的离散度更小,数据更稳定。 需要强调的是,本文没有对积分检测效果和减振混合效果进行专门分析,混合效果也可能导致数值模拟结果的偏差。
综上所述,导致曲线拟合法与直接估计法不一致的主要原因需要通过更多的数值实验来验证。
推理与讨论
本文采用传统的目标函数最小化方法对结构地面振动响应的真实概率分布进行曲线拟合密度分析 软件 图,求出曲线拟合后函数的均值和标准差,分析曲线之间的不一致情况拟合和直接估计,得出以下推论:
(1)在长周期、小阻尼比下,曲线拟合与直接估计存在很大程度的不一致;
(2) 曲线拟合情况的标准差总是大于直接估计情况的标准差;
(3)对于“平均值加一个标准差”的响应谱,曲线拟合的结果也较小,因此提出了一种新的地面振动响应谱估算公式;
(4)曲线拟合时得到的共残差谱也较小。
上述推论可以在一定程度上说明曲线拟合情况的离散度更小,数据更稳定。
此外,这些不一致之处在长周期区域更为明显,因此在使用现行规范进行长周期结构抗震设计时需要更多的关注和校核。
我们只讨论了加速度响应谱的情况,没有考虑下一步工作的重点位移谱和速度谱。 此外,我们将结构的最大响应曲线拟合为正态分布。
事实上,也可以使用其他概率分布模型作为曲线拟合的目标函数,例如对数正态分布。 需要利用多种概率分布模型拟合来寻找最优的数值模拟,同时考虑数值模型中检测效果的影响,找到两种估计方法不一致的主要原因。 此外,还需要更多的地面振动记录和地面地震记录来验证我们的推论。