CISC和RISC举例

冯.诺依曼结构VS哈佛结构
STM32是基于ARM架构所做的芯片。
ARM公司:只做内核设计和IP授权,不参与芯片设计。

Cortex内核分类及特征
| 对比项 | Cortex-A(Application) | Cortex-R(Real-time) | Cortex-M(Microcomputer) |
|---|---|---|---|
| 特点 | 高时钟频率,长流水线,高性能 | 较高时钟频率,较长流水线,实时性强 | 时钟频率较低,通常较短的流水线,超低功耗 |
| 应用场景 | 移动计算、智能手机、平板电脑、数字电视 | 军工、汽车电子、无线基带、硬盘控制器 | 工控、传感器、消费电子、家用电器、医疗器械 |
性能从左到右从高到低
Cotex-M3/4/7

STM32是什么

STM32:32位MCU/MPU

由高到低(性能),由大到小(内存)



STM32引脚类型
电源引脚:以V字母开头的一般都是电源引脚
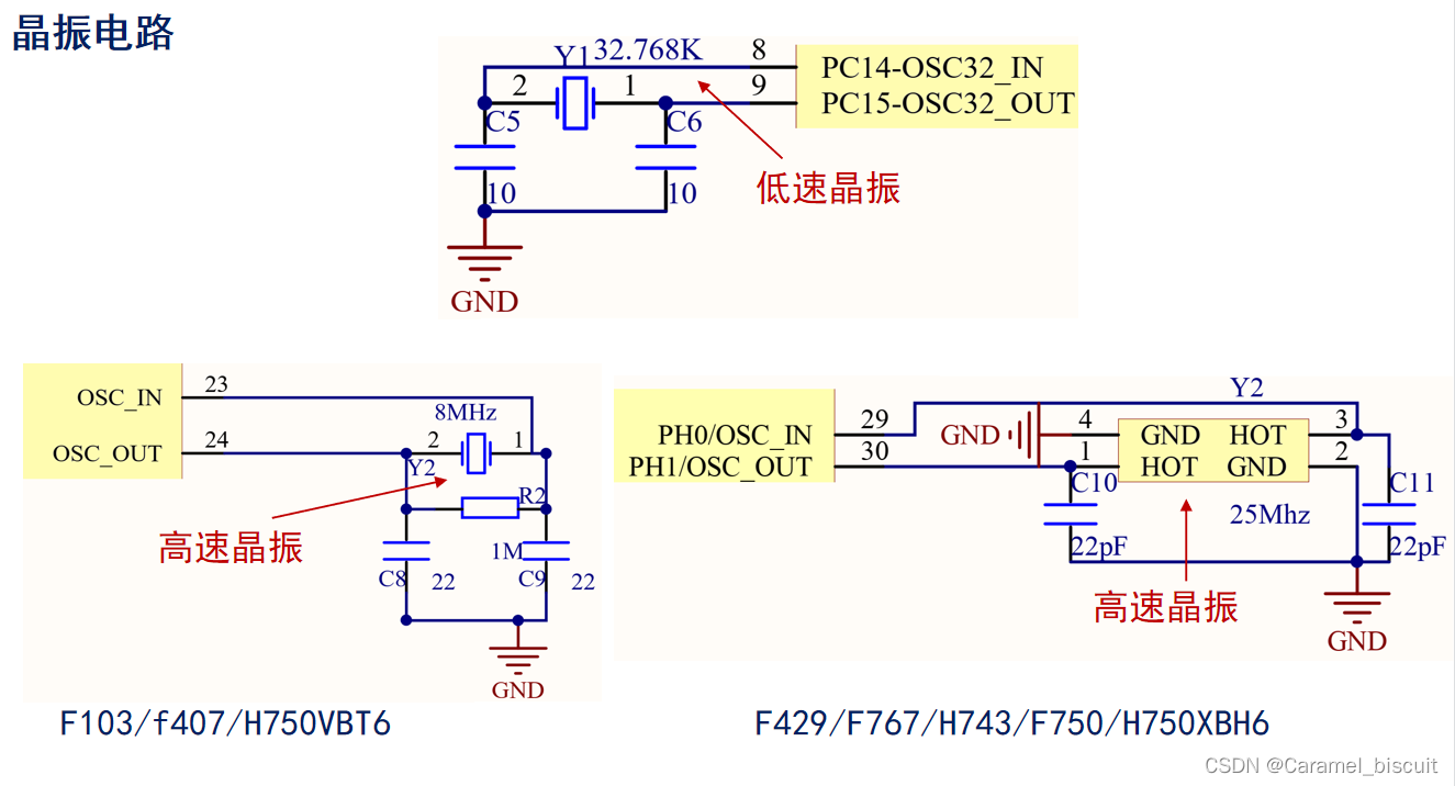
晶振引脚:8-9低速引脚,23-24高速引脚
复位引脚:25引脚
下载引脚
BOOT引脚:138、/48引脚
GPIO引脚:以P开头
下载接口的区别:
JTAG接口可以仿真、调试、下载,但是占用5个I/O口。
SWD接口可以仿真、调试、下载,仅占用2个I/O口。
串口,仅占用两个I/O口,但是不能调试。
因此,SWD接口较好。

STM32中以上引脚复位后默认的是JTAG功能
如何将芯片引脚图与实际芯片相对应:

实物芯片上有个小圆圈和大圆圈,将小圆圈放在左下角对应的第一个引脚就是引脚1,逆时针排序。


实物芯片正面上小圆圈所在的位置对应A1

实物芯片背面上小圆圈所在的位置对应A1

电气特性里绝对最大额定值很重要,因为超过此设定值,芯片就有可能被烧毁。
最小系统:保证MCU正常工作的最小电路组成单元。


电源电压在2,0-3.6V

多组电源方便给多个外设供电。

纽扣电池,断电时,给RTC和后备区域供电,即断电后也能保存。

STM32复位引脚NRST保持低电平状态时间1~4.5ms即可复位。
BOOT启动电路

晶振电路

下载调试电路

复位引脚RESET连接NRST

优先分配特定外设IO,然后分配通用IO,最后微调。