弱电系统的运行维护是一项重要的工程,且成本不低。 很多弱电合作伙伴也做这方面的项目,但是很多人不知道如何编写维护计划,即运维服务计划。 其他不知道维修费用如何报价? 可以参考今天的计划。
弱电智能系统运维服务方案,含报价。
点击下方免费获取
弱电智能化工程运维服务方案_智能建筑规划_河姆渡规划馆
服务项目范围涵盖的信息系统资源以下方面的关键状态及参数指标:
运行状态及故障情况
配置信息
可用性和健康绩效指标
信息资产统计服务
该服务属于基础服务,包含在运维服务中。 帮助我们了解用户现有的信息资产,更好地提供系统运维服务。
服务包括:
硬件设备型号、数量、版本等信息统计和记录
软件产品型号、版本、补丁等信息统计记录
网络结构、网络路由、网络IP地址统计记录
综合布线系统结构图绘制
其他附属设备统计记录
网络系统运维服务
网络系统的运维管理从网络连通性、网络性能、网络监控管理三个方面实现。 网络及安全系统基本服务内容:


用户现场技术人员值班
现场技术人员值班,保证网络实时连通性和可用性,保证接入交换机、汇聚交换机、核心交换机正常运行。 现场技术人员每天记录网络交换机端口是否可以正常使用,网络转发和路由是否正常运行,测试交换机性能,进行网络整体性能评估,优化网络利用率,提出网络扩容和优化方案。 建议。
现场人员还监控安全设备日常运行状态,查看各类安全设备日志,记录关键事件,判断并解决安全事故原因,及时发现问题交换机维护软件,将问题消灭在萌芽状态。
同时可以记录设备的运行数据并形成报表进行统计分析,便于对网络系统进行分析和提前预测故障。 具体记录的数据包括:
配置数据
性能数据
故障数据
现场检查服务
检查内容包括以下内容:

网络运行分析与管理服务

主机、存储系统运维服务
主机和存储系统的运维服务包括:主机和存储设备的日常监控、设备运行状态监控、故障处理、操作系统维护、补丁升级等。
主机存储系统基本服务内容:


安防监控系统运维服务
(1)安防监控系统维护系统
1、为了维护好监控设备,保安员负责监控系统的日常监控、维护和管理,并承担设备维护服务,确保监控系统长期、可靠、有效运行。
2、在监控系统设备的维护过程中,应防止一些情况的发生,尽可能保证设备的正常运行。 对于监控系统的各种采集设备来说,由于设备直接放置在多尘的环境中,对设备是有害的。 运行会产生直接影响,需重点做好防潮、防尘、防腐维护工作。
3、每季度对设备进行一次除尘和清洁。 清除监控设备暴露的灰尘。 拆下摄像头、防护罩等部件,彻底吹净灰尘。 然后用无水酒精棉将各个镜头擦拭干净,并调整清晰度,防止由于机器运行、静电等因素,灰尘被吸入监控设备体内,保证机器的正常工作。 同时检查监控室内的通风、散热、除尘净化、供电等设施。 室外温度应在-20℃~+60℃之间,相对湿度应在10%~100%之间; 室内温度控制在+5℃~+35℃,相对湿度控制在10%~80%,为机房监控设备留下良好的环境。 操作环境。
4、根据监控系统中各部分设备的使用说明书,每月检查其技术参数及监控系统传输线路的质量,处理潜在故障,协助监控中心设置各项指标。使用水平等数据,确保设备各部分功能正常,能够正常运行。
5、每月对易老化的监控设备部件进行一次全面检查。 一旦发现老化,应及时更换和修复,例如视频磁头。
6、每季度定期清洁易积尘部位一次。 如果显示器暴露在空气中,由于屏幕的静电,显示器表面会吸附大量的灰尘,影响画面的清晰度。 必须定期擦拭显示器。 、校对显示器的颜色和亮度。
7、长期工作的监控设备应每月定期维护。 例如,硬盘录像机如果长时间工作,会产生大量热量。 电风扇一旦出现故障,会影响散热,妨碍硬盘录像机正常工作。
8、对监控系统及设备的运行情况进行监控,分析运行情况,及时发现并排除故障。 如:网络设备、服务器系统、监控终端及各种终端外设。 桌面系统运行检查、网络及桌面系统病毒防御。
9、每月定期优化监控系统和设备。
10、以上工作必须填写工作记录表,并经双方签字确认。
11、每月提供一次定期信息服务:每月第一个工作日,将上个月的维修、保养、维护记录表以电子文件的形式提交给部门负责人审核。
(二)安防监控系统维护实施标准
①控制台
A。 各控制装置运行正常,可实现切换设置、扫描监控等;
b. 键盘操作灵活可靠;
C。 电源锁开关完好无损。
②显示屏
A。 各显示屏监控齐全、完好、图像清晰,满足设计要求;
b. 各显示器接线应清晰,不得随意接线;
C。 显示器安装牢固可靠。
③供电设备
A。 交流稳压电源工作正常稳定;
b. 各输出电路的保险丝配置合理,无违规现象;
C。 电源严格分离,交直流电源分离明确,无随意接线;
d. 双电源切换可靠、正常;
e. 设备接地保护、保护等安全可靠。
④相机
A。 各摄像头工作正常,配置齐全;
b. 摄像机变焦长度应可自由调节并满足性能要求;
C。 每台摄像机的防护罩应齐全(特别是室外型);
d. 各相机镜头光圈设置正确,确保图像清晰,满足设计要求。
⑤录像机
A。 配备的录像机齐全交换机维护软件,性能良好,满足性能要求;
b. 各摄像机监控点的信号可以切换到录像机进行录像(包括切换到备份录像机)。
(3)安全门禁系统
门禁读卡器和控制器;
A。 闭门器开关灵活,快、慢档行程清晰。 自动关门时请确保门已锁好;
b. 读卡器可以正常刷卡;
C。 电锁能正常开门;
d. 供电正常;
e. 设备接地保护符合规定。
(2)UPS应急电源
A。 输出电压数据符合设备规定值;
b. 供电容量适中,无过载,保险丝匹配正确;
C。 备用电源正常,电池容量充足,可维持规定时间,切换快速可靠;
d. 接地保护符合规定;
e. 各节点可靠,无氧化现象;
F。 外观无尘。
(3) 输入/输出控制器
A。 各连接点连接可靠;
b. 每块电器板无尘、无氧化;
C。 输入输出信号正确;
弱电室管理系统
1、机房应配备防静电手环,维护人员插拔设备模块时应佩戴防静电手环。
2、维护终端使用的可移动存储介质必须有严格的防病毒措施,严禁安装和使用未经批准的软件。
3、各种通讯设备的外壳应良好接地。 使用220伏及以上交流电源工作时,必须注意人身安全和设备安全。
4、机房内严禁使用可能引起火灾的取暖设备。 机房内必须配备灭火器。 灭火器必须放置在固定位置,并指定专人管理。 必须定期检查它们以确保它们处于良好状态。 要求每位维护人员熟悉其用途和火灾报警电话号码。
5、所有室内设施应建立固定资产管理目录,并有专人负责。 定期检查。
6、机房内严禁吸烟、饮食、睡觉、聊天、娱乐。
7、除值班人员和维护人员外,其他部门和外部单位的人员必须经过相关领导批准后方可进入机房。
8、值班人员事后应对用户的电话询问进行录音。
9、值班人员只能按照规定的权限进行系统操作和管理工作,不得越权修改操作系统的硬件和软件。
10、系统出现异常情况时,值班人员必须及时向相关技术人员和领导报告,不得随意处理。
服务方式
技术人员现场运维服务的基本操作流程如下图所示:

定期巡检结合现场运维服务的基本操作流程如下图所示:

系统设施维护检查表

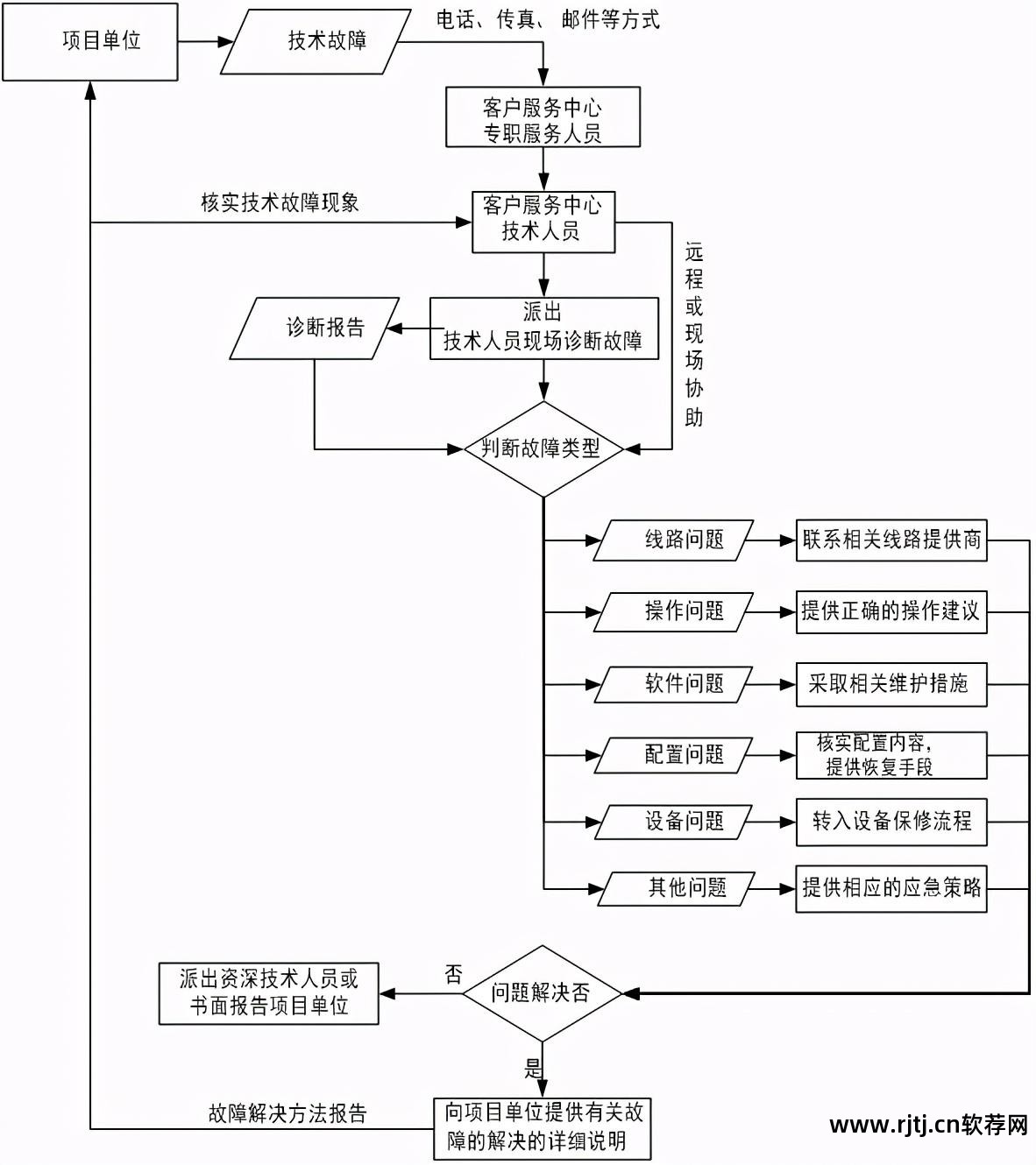
应急响应策略服务流程图如下:

一期工程维护报价单模板:

剩下的我就不一一分享了,不过大家可以在下面免费下载该方案:
弱电智能化工程运维服务方案_智能建筑方案_河姆渡方案博物馆