装有全回转舵桨装置的拖轮,由于其出色的灵活性和动力性,在港口作业领域受到了极大重视和欢迎。目前新建造港作拖轮中,绝大多数均选用了全回转舵桨装置作为其推进装置。早期港作拖轮主机功率较小,轴系传递负荷不大,现场施工中对轴系施工精度要求并不高,而随着进出港口船舶吨位的增加,对全回转舵桨拖轮主机功率的需求也在不断增加,轴系传递负荷也随之增加,对轴系施工工艺和精度控制提出了更高要求。笔者结合工作经验和厂家的指导性文件,以及相关实船案例,开展了针对全回转舵桨拖轮的轴系施工工艺的研究,希望给现场工作提供参考。
案例简介
2352kW全回转拖轮将主要用于港区内拖带、顶推工作,其动力系统选用双机双桨Z型推进系统,主机通过高弹——短轴——万向联轴节——中间轴——万向联轴节与全回转舵桨装置相连,其中主机型号选用NIIGATA 6L25HX型柴油机,单机持续功率1176kW,额定转速750rpm;舵桨装置选用NIIGATA ZP-11A型,额定输入功率1176kW。尽管轴系设计中采用了万向节和弹性联轴器,增加了一定的精度冗余性,但由于传递功率较大、转速较高,使得此类轴系施工仍需要较高的精度控制水平。
拉线及复线
船舶轴系拉线工作,其主要目的是确保船舶推进装置安装在其预定设计位置,以此保证推进系统的工作效率和船舶的航行性能,并通过推进装置位置反推主机基座和轴承座定位,因此在进行拉线工作前,需要确定后续的施工不再会对船体造成较大形变影响。此外,拉线工作应选在无日光环境下进行,避免由于温差造成船体形变影响。在前期工作确定船舶基线和中心线后,就相当于建立了一个肋位——基线——中心线空间坐标系(如图1所示)。

图1 船体坐标系示意图
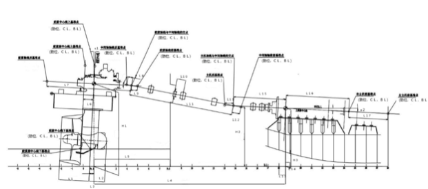
通过轴系布置图中要求的角度和距离参数,利用三角函数推导出各轴心线定位点(如图2所示),在此设置拉线架并用钢丝穿过这些定位点,此时钢丝即代表舵桨装置输入轴轴心线、中间轴轴心线以及主机输出轴轴心线。

图2 船舶轴系定位图
在确定轴心线后并通过船东船检报验后,便可通过相关数据,确定主机、中间轴承基座位置和高度并完成装配焊接工作。需要注意的是,在钢丝布设中,为避免钢丝下垂而导致后续基座高度发生偏差,在钢丝的末端需要配置重块以使其紧绷,重块的重量应达到钢丝破断拉力的70%~80%;另外,在进行实际数据的读取中,由于样冲、石笔划线等留痕方式存在面积,现场工作人员在进行读数时往往没有统一商定的规则,而是倾向于向最靠近标准数据的数值,这就给现场施工带来了极大的误差,累计误差可达5mm。因此在施工前,需要测量人员商定好读数的规则,如统一读样冲圆心、石笔痕迹上边缘等。
在各基座焊接完成后,需要进行二次拉线工作。二次拉线的主要目的可分为两方面:一方面为通过各焊接好的基座来确定实际轴线的位置;另一方面则是确定各基座焊后距离理论轴线的距离,尤其是对于舵机舱内的舵桨基座,其焊接量相比于其他基座更大,更容易引起船体变形。此外舵桨装置与基座之间没有可调节的高度,因此在二次拉线过程中确定好舵桨基座距离轴线的高度对于后期舵桨基座的镗削施工也十分重要。二次拉线的工序相对初拉线较为简单,只需要将理论轴线的基准点重新确定后,比对各基座确定轴线与理论轴线的差值,对于差值过大的部分需要调整理论轴线使其靠近基座,即得到实际轴线。
轴系校中
在进行轴系校中工作前,为避免船体形态变化对校中结果造成影响,首先应确保此工作在船舶下水且变形应力释放基本完成后进行,通常此进程需要一周时间;其次校中时应尽量安排在无日照条件下进行,同时还要确保船舶处在正浮状态,螺旋桨至少浸没75%且船舶首尾吃水应基本不变;最后就是在校中过程中船上不能进行引起振动的工作,尤其是对于拖轮这种小型船舶,以避免振动对测量仪器的影响。
在进行船体应力释放以及姿态调整的同时,可以准备校中工具,又称顶针(如图3所示)。顶针的作用是在轴系校中的过程中,代替舵桨装置和中间轴以及中间轴与短轴之间的万向节。通过顶针,可以方便的确定实际各轴轴线间夹角、轴线偏差以及轴法兰端面的距离。通常顶针由舵桨厂家给出加工数据后由船舶制造厂现场加工,在加工后需要测定顶针的长度以及直线度。安装顶针时还需要注意各螺栓的预紧力应一致。

图3 顶针
顶针安装完成后便可开展轴系校中工作,即通过调整中间轴承座以及主机的高度调整螺栓,调整各法兰端面的曲折偏移值以及中间轴承壳与轴的垂直度,确保数值满足设计要求并报船东船检进行验证。检验完成后即可研磨或浇筑各基座垫片并对螺栓进行紧固,至此校中工作已全部完成。由于拖轮本体设计问题,无法通过顶升法确定各轴负荷,只能通过航行试验时测量各轴承温度来确定轴负荷是否处于正常范围。
本文案例中的拖轮轴系校中结果如表1、表2所示。
表1 2352kW轴系校中曲折偏移结果(单位:0.01mm)
表2 2352kW轴系校中轴承垂直度结果(单位:0.01mm)

由表1和表2可知,依照本文工艺施工的2352kW拖轮的轴系校中各相数值均可满足厂商以及相关规范的计算要求,而在后续的试航过程中,该轮轴系运行平稳,温度始终处于较低范围,船体振动小,舱室噪音低,得到了船东的认可。
相关结论
本文从现场实际出发,对装备有全回转舵桨装置的港作拖轮的轴系施工工艺和流程进行了分析和描述,并对部分误差原因进行了详细解析。依照此工艺施工的2352kW拖轮在码头系泊试验和航行试验中,轴系运行性能优良,得到了船东的一致认可。
李修宇
中国船级社机电验船师,曾参与32.5万吨矿砂船建造检验、几内亚 21万吨散货船首制船建造检验,参与各类船舶营运检验百余艘次。
END
中国船检独家文章,转请注明出处“中国船检”,违者必究!
你们的每个点赞和在看,我们都喜欢!